Lawrence Staveley

November 30th 2020, 06:59:24

Biopede high-score competition!


33

Loïc *WydD* Petit

November 29th 2020, 18:19:27

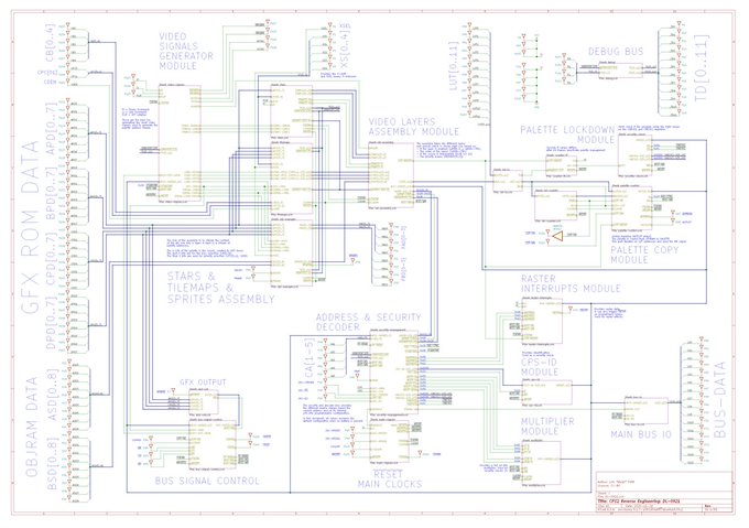
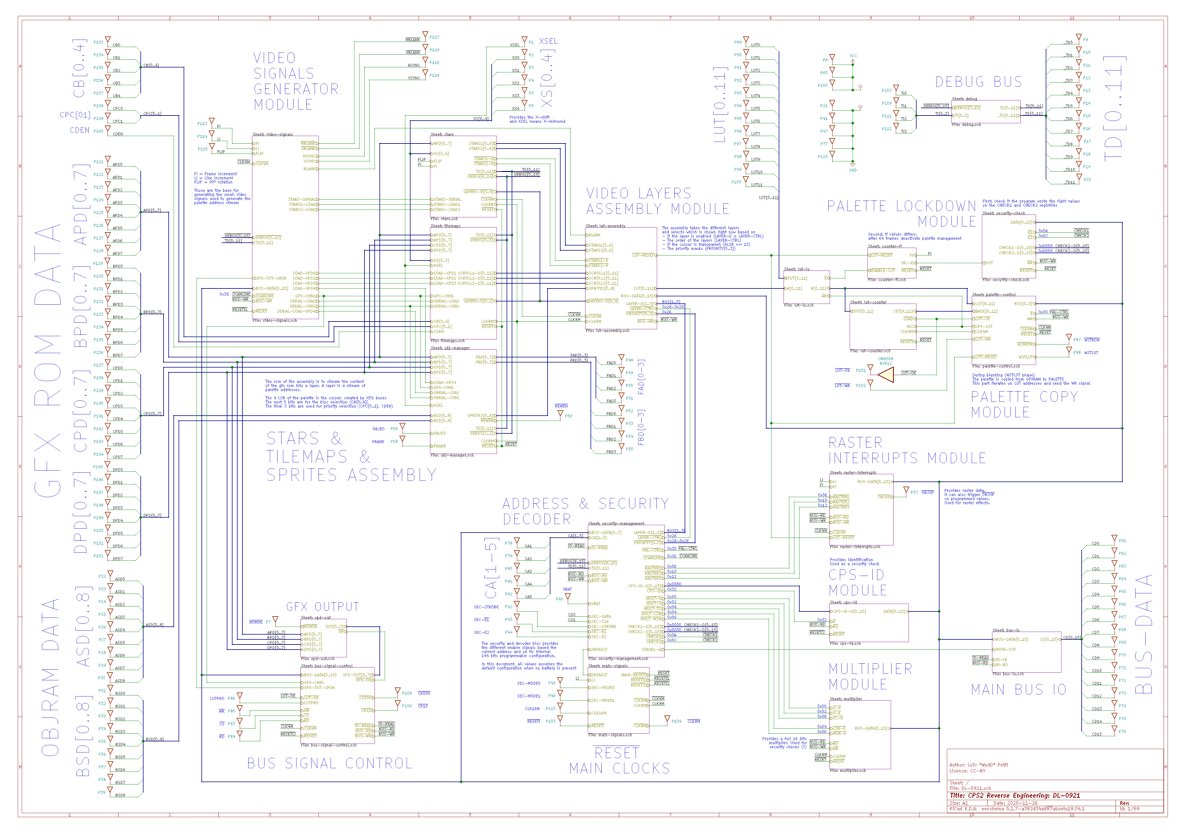
Finally, after 7 months of intensive work, I can finally present my latest reverse project: the DL-0921 aka CPS-B-21 😄

This is the brain of the C-board on CPS1 and is found on the A-board on CPS2.

You can find all the schematics and documentation here

: RetroHQ :

November 26th 2020, 17:57:34

Many thanks for @rickr000 for lending me his Lynx to fix this issue! It's only applicable to early Lynx 2 machines, and you'll know if you're affected. The menu will just be a black screen. 😄

This is an interesting hardware incompatibility with LCD mods and old Lynx 2's.

2

: RetroHQ :

November 26th 2020, 17:57:34

A new firmware update is available for the Lynx GD. Boot your Lynx, hit OPT1 and visit the link to update your cart!

== Firmware 1.04 ==
Fix for the menu not displaying at all (black screen) on old revision Lynx 2 PCB's. The BIOS does not initialise MIKEY properly.

Stone Age Gamer

November 18th 2020, 21:00:01

Got a Neo Geo Pocket with nothing new to play on it? Why not try the NeoPocket GameDrive from @TheRetroHQ?

4

: RetroHQ :

November 18th 2020, 13:38:18

How you can turn a load of pretty colours into functional hardware is tantamount to witchcraft! It's a good thing we're not in the 17th century... 😆

Amazing stuff. 😄
100% ! 🎉
Now updating schematic

3

: RetroHQ :

November 5th 2020, 08:54:25

The Lynx GameDrive is back in stock in the UK at @RetroGamerStuff and @retrotowers. You can also pick up a NeoPocket GameDrive while you are there as well. 😄

And before anyone asks, yes, the Jaguar GameDrive will be following in a few weeks. 😆

7

Buffalo Pinball

November 3rd 2020, 18:12:14

Stoked to upgrade the Jaguar kiosk with a Jag GD from @TheRetroHQ! Time to load it up with games. 👍👍

News Archive

Latest Posts | April 2026 | January 2026 | November 2025 | October 2025 | September 2025 | August 2025 | May 2025 | March 2025 | December 2024 | October 2024 | September 2024 | July 2024 | May 2024 | February 2024 | January 2024 | December 2023 | November 2023 | October 2023 | September 2023 | August 2023 | July 2023 | May 2023 | April 2023 | March 2023 | February 2023 | January 2023 | December 2022 | November 2022 | October 2022 | September 2022 | August 2022 | July 2022 | June 2022 | May 2022 | April 2022 | March 2022 | February 2022 | January 2022 | December 2021 | November 2021 | October 2021 | September 2021 | June 2021 | May 2021 | April 2021 | March 2021 | February 2021 | January 2021 | December 2020 | November 2020 | October 2020 | September 2020 | August 2020 | July 2020 | June 2020 | May 2020 | April 2020 | March 2020 | February 2020 | January 2020 | December 2019 | November 2019 | October 2019 | September 2019 | August 2019 | July 2019 | June 2019 | May 2019 | April 2019 | March 2019 | February 2019 | January 2019 | December 2018 | November 2018 | October 2018 | September 2018 | April 2018